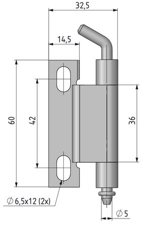
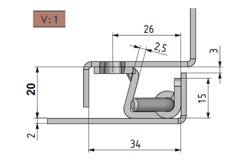
Zawias wewnętrzny stalowy 32,5x60 mm, zagięcie drzwi 20 mm, ocynk, otwory ⌀6,5x12 mm, do spawania
- Wewnętrzny zawias 32,5x60x20mm, ze stali ocynkowanej, ze sworzniem. Do drzwi o zagięciu 20mm, prawych oraz lewych. Korpus z dwoma otworami ⌀6,5x12mm, miedziowana część nieruchoma do przyspawania. Kąt rozwarcia to max. 120°.

✔️ Do drzwi metalowych z zagięciem bocznym 20 mm – wersja lewa/prawa
✔️ Korpus stalowy ocynkowany, część nieruchoma miedziowana
✔️ Mocowanie na dwa otwory podłużne ⌀6,5x12 mm z możliwością spawania
Zawias wewnętrzny stalowy przeznaczony do drzwi metalowych o zagięciu bocznym 20 mm
Korpus wykonany ze stali ocynkowanej, część nieruchoma z powłoką miedziowaną ułatwiającą proces spawania
Mocowanie realizowane za pomocą dwóch podłużnych otworów 6,5x12 mm, co pozwala na regulację położenia przed trwałym wspawaniem
Konstrukcja umożliwia kąt rozwarcia 120° oraz montaż w wersji lewej lub prawej
Zastosowanie: szafy sterownicze, rozdzielnice, obudowy urządzeń przemysłowych, konstrukcje warsztatowe
Jesteśmy pewni jakości naszych produktów, dlatego udzielamy
rocznej gwarancji handlowej na powyższy produkt.
Gwarancja obejmuje terytorium Rzeczpospolitej Polski. W razie stwierdzenia wad prosimy o kontakt mailowy bądź telefoniczny.
Udzielana przez nas gwarancja nie wyłącza, nie ogranicza ani nie zawiesza uprawnień kupującego wynikających z przepisów o rękojmi za wady rzeczy sprzedanej.








